法蘭針型閥的詳細參數:
產品型號:J43W-1.6-42mpa
主要零件材料
|
零件名稱 Part name |
閥桿,閥蓋 Stem,Bonnet |
閥桿,閥瓣 Stem,disc |
填料 Packing |
|
J43W-1.6-42P |
SS304 SS304L SS316 SS316L |
SS304 SS304L SS316 SS316L |
聚四氟乙稀,柔性石墨 PTFE,Soft graphite |
J43W法蘭針型閥特性
1. 制造標準: GB/T12224-2005 JB/T7747-1995 GB/T12235-2007
2. 連接形式: 法蘭連接
3. 結構特征: 錐面密封
4. 閥門檢驗與試驗: GB/T13927-1992 JB/T9092-1999
5. 公稱壓力:≤10000Psi
6. 適用工作溫度:-29℃~+538℃
7. 適用介質: 水,油,氣等腐蝕性與非腐蝕性介質
8. 公稱通徑:DN6,DN10,DN15,DN20,DN25
主要性能規范
|
型號 Type |
公稱壓力 PN Mpa |
試驗壓力 PS(Mpa)_Test pressure |
工作壓力(Mpa) Working pressure |
工作溫度(℃) Working temps |
適用介質 Applicable medium |
||||
|
殼體 Shell |
密封(液) Seal |
密封(氣) Seal |
|||||||
|
J43W-1.6P |
1.6 |
1.6 |
2.4 |
1.76 |
1.6 |
P≤540℃ |
液化石油氣水,酸, 蒸汽,油品等 Petroleum gas Water, As,Steam,Oil,etc |
||
|
J43W-4.0P |
4.0 |
4.0 |
6.0 |
4.4 |
4.0 |
||||
|
J43W-16P |
16.0 |
16.0 |
24.0 |
17.6 |
16 |
C≤425 ℃ |
|||
|
J43W-32P |
32.0 |
32.0 |
48.0 |
35.2 |
32 |
||||
|
J43W-42P |
42.0 |
42.0 |
63.0 |
46.2 |
42 |
||||
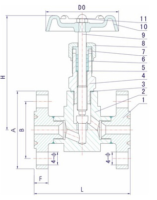
主要外形尺寸
|
公稱通徑 DN |
A |
B |
C |
F |
N-? |
L |
H |
D0 |
|
DN10 |
90 |
60 |
41 |
14 |
4-?14 |
130 |
90 |
60 |
|
DN15 |
95 |
65 |
46 |
14 |
4-?14 |
132 |
90 |
60 |
|
DN20 |
105 |
75 |
56 |
16 |
4-?14 |
150 |
105 |
80 |
|
DN25 |
115 |
85 |
65 |
16 |
4-?14 |
150 |
120 |
100 |







